Резервуары и металлоконструкции
от завода-производителя

Доставка по всей России!

slide-s02

Отстойник воды ОГВ-Г гидрофобный

Рассчитать стоимость или купить "Отстойник воды ОГВ-Г гидрофобный" от Завода Резервуаров и Негабаритных Металлоконструкций вы сможете всегда в короткие сроки.

Широкая номенклатура изготавливаемая нашим предприятием ценится надежностью конструкций и высокими техническими характеристиками, мы изготавливаем как габаритные так и негабаритные металлоконструкции и прочие металлоизделия,  емкости, сосуды, аппараты.

Весь штат нашего предприятия – это высококвалифицированные специалисты !

Собственный цех горячего оцинкования , позволяет произвести антикоррозионное покрытие согласно нормативам по ГОСТ 9.307-89, а так же покрытие от коррозии и старения по ГОСТ 9.302-88, ГОСТ 9.308-85, ГОСТ 9.301-86, 9.306-85, СП 28.13330.2012.

Так же мы всегда готовы предоставить услуги по огнезащитной обработке и конструктивной огнезащите по ГОСТ Р 53295-2006

РазработкаКМД– от 1-го дня.

Перевезем, доставим все необходимые металлоконструкции, комплектующие и емкости до Вашего объекта в любой город России!

Для оформления заказа и определение ценовой политики в Чита на "Отстойник воды ОГВ-Г гидрофобный" Вам достаточно набрать по телефону +7 (302) 238-31-04 или отправить заявку на наш электронный адрес chita@rezervuar-met.ru

Преимущества

  • Цены от производителя

  • Гарантия качества

  • Комплектация объектов под ключ

  • Производим монтаж/демонтаж

  • Оперативная доставка в любой регион

  • Быстрые сроки поставки,
    четкое соблюдение сроков

  • Персональный подход

  • Гарантийное обслуживание

  • Разработка КМД от 2-х
    рабочих дней

  • Составление КП от 15 минут

Подготовим коммерческое предложение
с учетом ваших индивидуальных технических требований

Скачать опросный лист

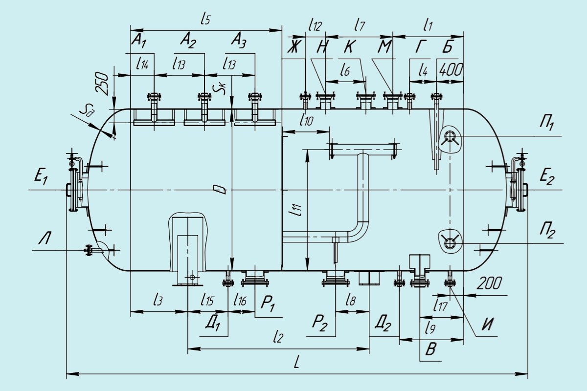
Технические характеристики

ОБОЗНАЧЕНИЕ

НАЗНАЧЕНИЕ

А1, А2, А3

ввод сырья

Б1

вывод нефти

В1

вывод воды

Г1

вывод газа

Д1, Д2

дренаж

Е1, Е2

люк-лаз

Ж1

для манометра

И1

для пропарки

К1

для предохранительного клапана

Л1

для термометра

М1

для регулятора раздела фаз

Н1

для регулятора уровня

П1, П2

для камеры уровнемера

Р1, Р2

люк для зачистки

 

Чертеж

Чертеж Отстойник воды ОГВ-Г гидрофобный

Доставка

Чтобы избавить Вас от необходимости поиска логистической компании, мы готовы взять на себя работу по осуществлению доставки оборудования на Ваш объект.

Преимущества осуществления доставки при помощи нашей компании:

  • Работа только с проверенными временем подрядчиками
  • Четкое соблюдение сроков
  • Разумные цены
  • При необходимости, груз можно застраховать
  • Стоимость услуги рассчитывается индивидуально, в зависимости от региона доставки и объема груза.

Свяжитесь с нашим менеджером по телефону или через форму сайта и мы подготовим для Вас расчет.

Скачать опросный лист